
| L. A. Ornamental & Rack Corp 3708 NW 82nd Street Miami, Florida 33147 Office: 305-696-0419 Fax: 305-696-0461 |
| RAMSET Gate Openers Ram 50 - Scroll Down to View Exploded Parts View & Parts List |
| RAMSET Replacement Parts for your RAMSET Openers - We Offer RAMSET Factory Direct replacement parts and New Products for RAMSET Systems, Gate Openers, Keypad Parts, Proximity and Multi-Tenant Access Control panels |

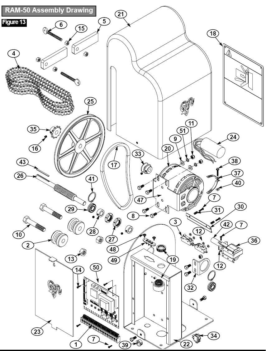
| Item Parts # Description for Ram 50 Gate Openers 1 50-039 20 pin edge connector 2 50-057 2" uhmw idler wheel 3 50-069 limit switch 00-h3 4 50-087 # 41 x 20' gate chain 5 50-089 chain bracket 6 50-090 1/2" x 4" chain bolt 7 50-091 # 6 x 1" machine screw 8 50-094 5/16-18 hex head bolt 9 50-097 5/16" flat washer 10 50-098 5/8-11 x 3 1/2 hex head bolt 11 50-104 5/16" hex head nut 12 50-105 # 6-40 machine nut 13 50-106 5/8-11 hex head nut 14 50-107 # 6 x 3/8 machine screw 15 50-113 1/2" hex head nut 16 50-114 1/4-20 socket head 17 50-116 4L v belt # 350 18 50-151 warning sing 19 50-168 horn alarm 20 50-200 1/2 hp 115 vac electric motor 21 50-201 polyethylene cover 22 50-203 10ga. hot rolled metal chassis 23 50-204 board metal cover 24 50-205 capacitor 25 50-206 10" pulley |
| About Us | Contact Us | Our Policies | FAQ | Manufactures | Links | Copyright Protected 2004-2008 - L. A. Ornamental & Rack Corp. All rights reserved. No part of this site can be reproduced in any form or by any means, electronic, mechanical, photocopying, or otherwise without prior written consent of L. A. Ornamental & Rack Corp. 3708 NW 82nd Street Miami Florida 33147, Office: 305-696-0419 Fax: 305-696-0461 E-Mail: LAOrnamental@Aol.com |
|
|
|
| 26 50-207 10 1/2" x 1" limit switch shaft 27 50-208 limit switch nuts 28 50-209 5/8" shaft collard 29 50-210 5/8" sealed ball bearings 30 50-211 spring load bracket 31 50-212 1" tension spring 32 50-213 " L " bracket to hold ball bearing 33 50-214 1/2" x 1-1/2" steel pulley 34 50-215 rocker switch 35 50-216 41b 9 x 5/8 sprocket 36 50-217 solenoid 37 50-218 motor clamp 38 50-219 # 10 x 11/2 screw 39 50-220 plastic grommet 40 50-221 # 10 square nut 41 50-230 external ring 1.250 42 50-231 1/2" x 1 1/2" pin lock 43 50-265 3/16 x 3/4" key way 44 50-266 radio receiver harness 45 50-267 limit switch harness 46 50-268 motor harness 47 50-294 motor base plate 48 50-295 # 8 self-tap sheet metal screw 49 50-299 radio receiver teminal 50 50-777 inteligate control board 51 50-096 5/16 Lock Washer |