
| L. A. Ornamental & Rack Corp 3708 NW 82nd Street Miami, Florida 33147 Office: 305-696-0419 Fax: 305-696-0461 |
| FAAC Gate Operators 402 - Scroll Down to View Exploded Parts View & Parts list for 402 opener --- Click image to enlarge |
| FAAC Replacement Parts for your FAAC Operators - We Offer FAAC Factory Direct replacement parts and New Products for FAAC Systems |
|
| About Us | Contact Us | Our Policies | FAQ | Manufactures | Links | Copyright Protected 2004-2008 - L. A. Ornamental & Rack Corp. All rights reserved. No part of this site can be reproduced in any form or by any means, electronic, mechanical, photocopying, or otherwise without prior written consent of L. A. Ornamental & Rack Corp. 3708 NW 82nd Street Miami Florida 33147, Office: 305-696-0419 Fax: 305-696-0461 E-Mail: LAOrnamental@Aol.com |
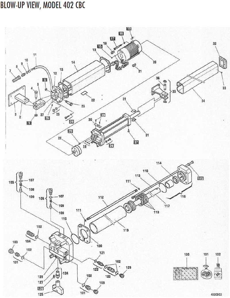
| POS PART NO. DESCRIPTION 1 2036 Galvanized Nut (8mm) 2 7220015 Rear Bracket 3 7284005 Rear Bracket Plate 4 7182075 Short Pin 5 7221115 Rear Fork 6 2037 Self-Locking Nut (8mm) 7* 7109145 Strain Relief 8* 7109155 Strain Relief Nut 9* 7039305 Strain Relief Brass Washer 10* 2581 Fiber Washer 11 7514055 Electric Power Cord 12 7170435 Rear Flange 13 7099101 Gasket (D80) 14 7450005 Operator Body 15 N/A Self-Threading Screw 16 7119475 Silent Block 17 2365 Motor Bolt (4mmX50) 18 2366 Lock Washer 19 2367 Hex Nut (4mm) 20** 77000425 115V 1400 RPM Motor 21 7119485 Vibration Dampener 22 N/A Vent Screw Label 23 7182175 Long Pin 24 N/A Socket Head Screw (5X20mm) 25 7110015 Plug (Oil) 26 2274 Vent Screw (4x6mm) 27 7094065 Gasket (Copper) 28 3204395 1 Lt Lobe Pump 29 N/A Pump Pin 30 7203275 By-Pass Protection Cover 31 760285 Spacers (Protective Cover) 32 7271545 Protective Cover End Cap 33 7114025 Protective Cover Plug 34 7272085 Protective Cover 35 4304015 Front Mounting Bracket 36 7182355 Pin Front Bracket 37 N/A Black Plastic Screw 38 7090010015 O-Ring (3) 39 N/A Stainless Steel Screw (2.9mm x 6.5mm) |
| POS PART NO. DESCRIPTION 101 4404065 Inlet Valve 102 N/A O-Ring 103 7049135 Valve Retainer 104 4180205 Blank Lock Valve 105*** 4180135 Green By-Pass Valve 106*** 4181045 Red By-Pass Valve 107 7090150 O-Ring (By-Pass Valve) 108 7210025 By-Pass Spring 109 7119335 By-Pass Seat 110 7090350 O-Ring (Front Flange) 111 7090665 O-Ring (Alum Retract Tube) 112 7361315 Retract Tube (Alum) 113 7230225 Tie-Rod (Cylinder) 114 N/A O-Ring (Front Flange Internal) 115 N/A Star Washer 116 4994165 Front Flange 117 4350065 Piston Assembly 118 7095035 Piston Rod Packing 119 7366065 Cylinder 120 7271555 Protective Cover Guide 121 7090300 O-Ring (Shuttle Piston) 122 4180285 Shuttle Piston 123 4404085 Lock Valve 124 4180355 Manual Release 125 713002 Triangular Release Key 126 N/A Galvanized Screw 127 709069 O-Ring (Manual Release) 128 4994365 Valve Body (CBC) 129 7049005 Brass Retainer 130 3905235 Skin Pack 131 2168* Seal Kit 132 6105 1 Qt. Monolec Oil |
| ∗ Included in Kit #2167A* ∗ * 220V 1400RPM Motor Part #77000415 ∗ ** Items include item #107, 108, and 109 in a kit |